EXPAND MENU COLLAPSE MENU

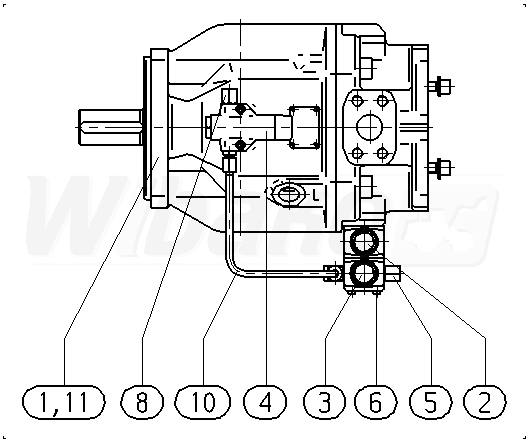
A A10VSO140 DFLR/31R-PPB12K68 -SO385 (R902425186)

Axial piston variable pump A10VS, swashplate design, open circuit, nominal pressure 280 bar, maximum pressure 350 bar. Series 31. Geometric displacement 140 cm3. Pressure-flow power control. DEUTSCH - molded connector, 2-pin, without suppressor diode.
1

BASE UNIT
(132661)

Group »

 
2

CONTROL VALVE
(112798)

Group »

 
3

CONTROL VALVE
(117207)

Group »

 
4

CONTROL VALVE
(13212)

Group »

 
5

ADAPTER
(121546)

Group »

 
6

SOCKET HEAD CAP SCREW
(15901)

 
8

ADAPTER
(14533)

Group »

 
10

PIPING
(121624)

Group »

 
11

POWER DIAGRAM
(132664)

 

Return

The above diagrams belong to Rexroth www.boschrexroth.com
DID YOU NOTICE AN ERROR? REPORT »
DID YOU NOTICE AN ERROR? REPORT
×

The error was sent. Thank you.