EXPAND MENU COLLAPSE MENU

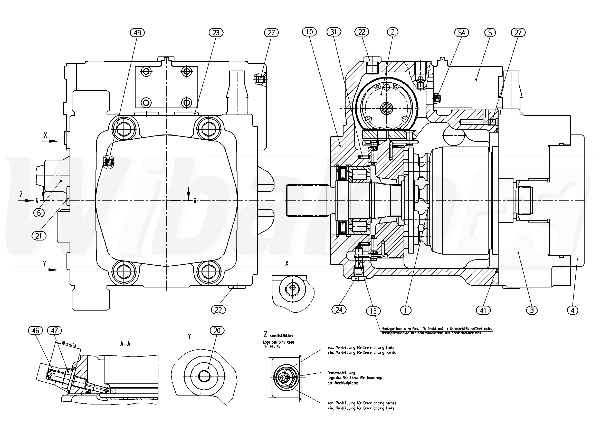
A10VG63DA2D2/10R-NSC10F075S-S (R902049717)

1

ROTARY GROUP
(23057)

Group »

 
2

CONTROL
(20883)

Group »

 
3

CONNECTION PLATE
(23060)

Group »

 
4

INTERNAL GEAR PUMP
(41175)

Group »

 
5

DIRECTIONAL-CONTROL VALVE
(20337)

Group »

 
6

CONTROL CARTRIDGE
(10391)

Group »

 
10

HOUSING
(143329)

 
13

PIVOT PIN
(10813)

 
20

SCREW PLUG
(10397)

 
21

SCREW PLUG
(10015)

 
22

SCREW PLUG
(10190)

 
23

SCREW PLUG
(10090)

 
24

SCREW PLUG
(10220)

 
27

DOUBLE BREAK-OFF PLUG
(18990)

 
31

SLOTTED SPRING PIN
(10396)

 
41

O-RING
(12776)

 
46

ECCENTRIC SCREW
(10814)

 
47

SEALING NUT
(10815)

 
49

NOZZLE
(10618)

 
54

NOZZLE
(10619)

 
98

SEAL KIT
(21081)

 

Return

The above diagrams belong to Rexroth www.boschrexroth.com
DID YOU NOTICE AN ERROR? REPORT »
DID YOU NOTICE AN ERROR? REPORT
×

The error was sent. Thank you.