EXPAND MENU COLLAPSE MENU

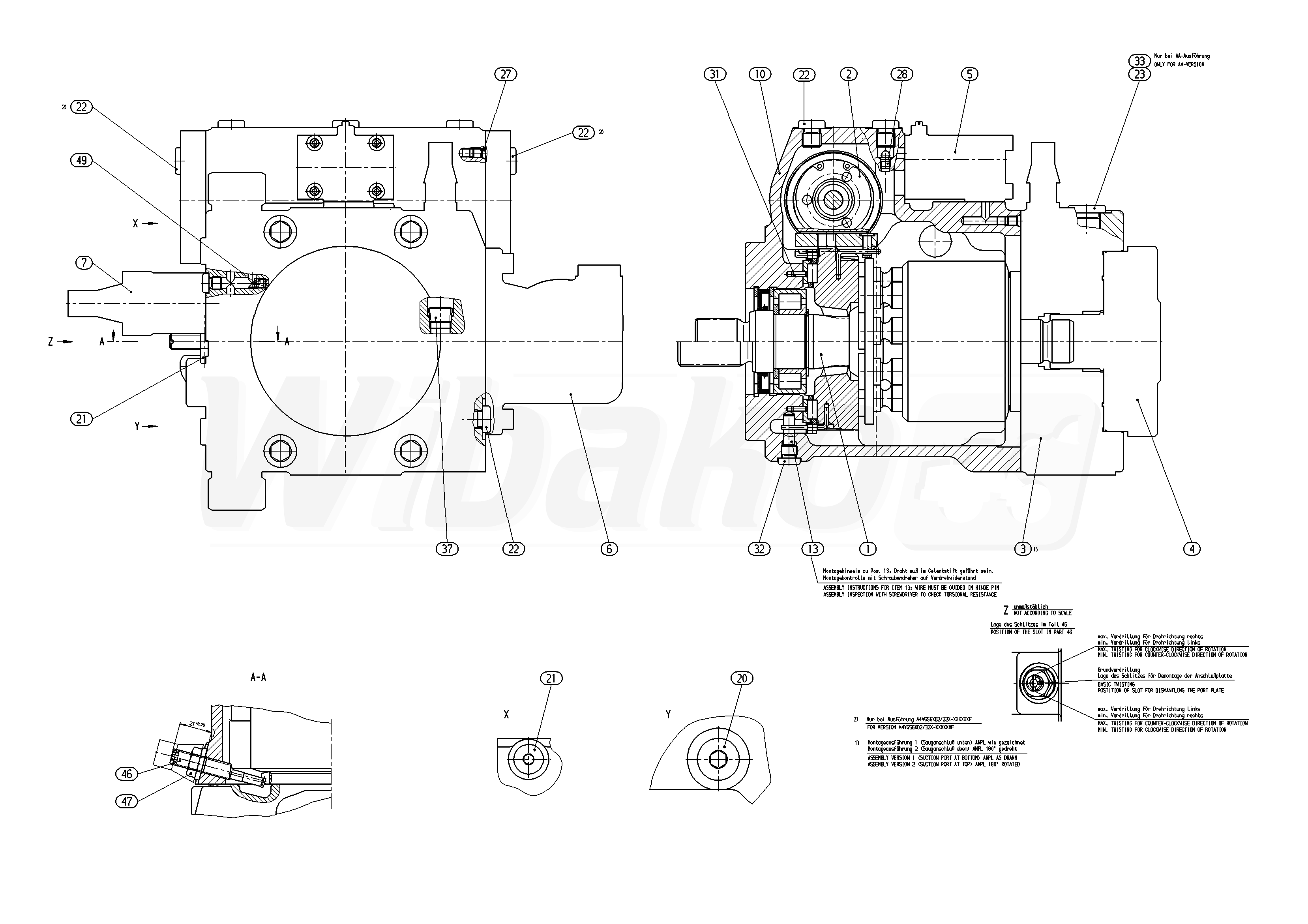
AA4VG71EP2D2/32R-NSF52F021L (R902032495)

Axial piston variable pump A4VG. Geometric displacement 71 cm3. Pressure cut-off. DA control valve, fixed setting. Series 3, index 2. Direction of rotation (viewed on drive shaft): clockwise. Sealing material: NBR (nitrile rubber), shaft seal in FKM (fluoroelastomer). Splined shaft ANSI B92.1a for single pump. Mounting flange SAE J744 2+4-hole. Integrated boost pump. Flange SAE J744 101-2 (B), hub for splined shaft 7/8 in 13T 16/32DP. High pressure relief valve, pilot operated 100 to 420 bar with bypass.
1

ROTARY GROUP
(17134)

Group »

 
2

CONTROL
(20417)

Group »

 
3

CONNECTION PLATE
(20418)

Group »

 
4

INTERNAL GEAR PUMP
(20419)

Group »

 
5

CONTROL MODULE
(20421)

Group »

 
6

FILTER
(19337)

Group »

 
7

CONTROL CARTRIDGE
(10391)

Group »

 
10

HOUSING
(19543)

 
13

PIVOT PIN
(10393)

 
20

SCREW PLUG
(14354)

 
21

SCREW PLUG
(11370)

 
22

SCREW PLUG
(11371)

 
24

SCREW PLUG
(12195)

 
25

O-RING
(10534)

 
26

SCREW PLUG
(11753)

 
27

DOUBLE BREAK-OFF PLUG

 
28

NOZZLE
(10073)

 
31

SLOTTED SPRING PIN
(10396)

 
32

SCREW PLUG
(10220)

 
37

SCREW PLUG
(10976)

 
46

ECCENTRIC SCREW
(10617)

 
47

SEALING NUT
(10399)

 
48

SCREW PLUG
(11372)

 
49

NOZZLE
(10618)

 

Return

The above diagrams belong to Rexroth www.boschrexroth.com
DID YOU NOTICE AN ERROR? REPORT »
DID YOU NOTICE AN ERROR? REPORT
×

The error was sent. Thank you.