EXPAND MENU COLLAPSE MENU

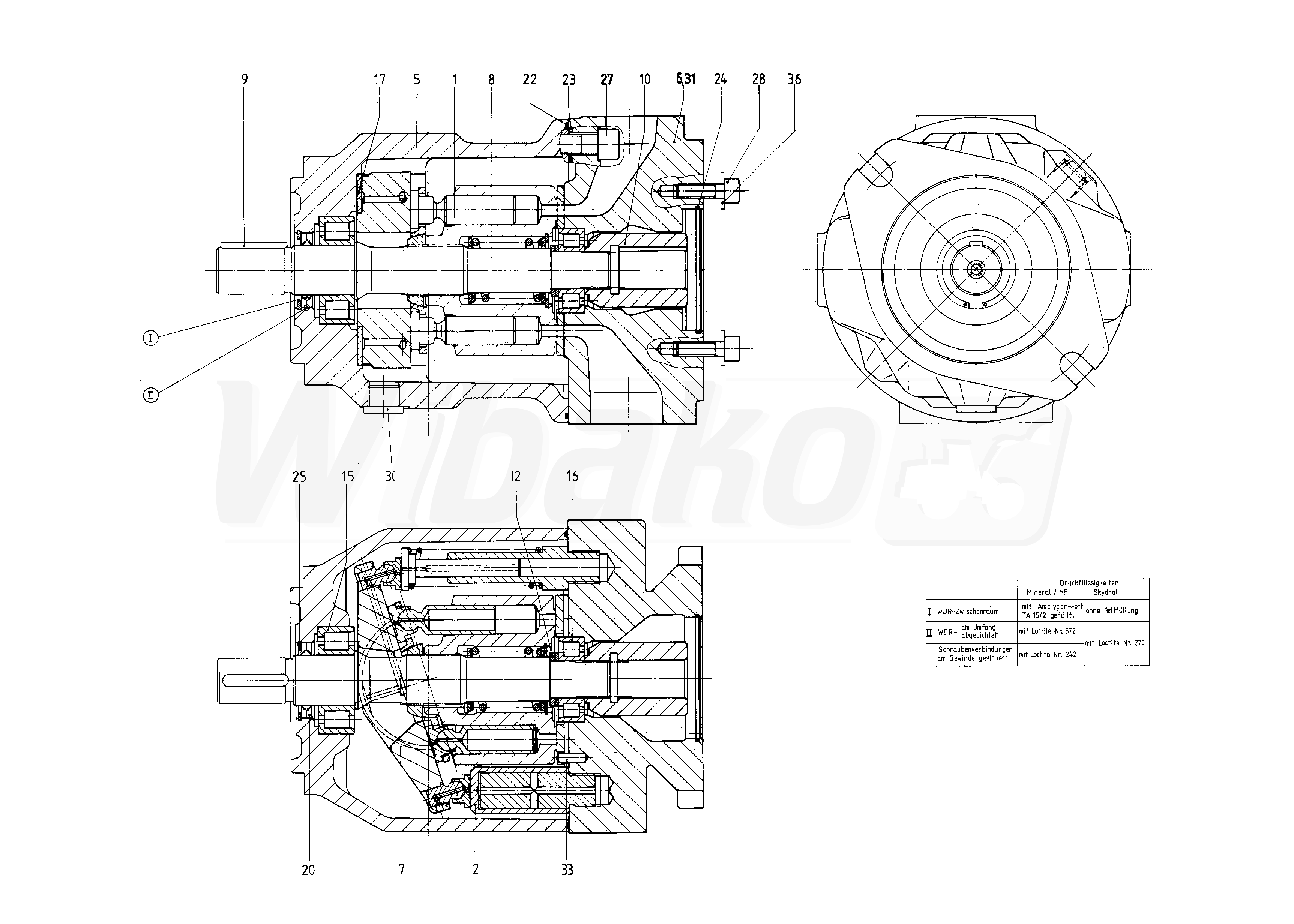
AEAA10VSO 71 DR /31R-VKC92K04 (R902406902)
BASE UNIT (147054)

BASE UNIT
(147054)

 
1

ROTARY GROUP
(13892)

Group »

 
2

ADJUSTING PIECE
(13893)

Group »

 
5

PUMP HOUSING
(14536)

 
6

CONNECTION PLATE
(147055)

 
7

SWASH PLATE
(20098)

Group »

 
8

DRIVE SHAFT
(61095)

 
9

PARALLEL KEY
(17248)

 
10

SPLINED COUPLING
(19885)

 
12

ADJUSTMENT SHIM
(20570)

 
15

CYL. ROLLER BEARING
(20572)

 
16

CYL. ROLLER BEARING
(20571)

 
17

BEARING SHELL
(13900)

 
20

ROTARY SHAFT LIP SEAL
(20573)

 
22

O-RING
(13902)

 
23

R-RING
(27445)

 
24

O-RING
(14400)

 
25

RETAINING RING
(13303)

 
27

SOCKET HEAD CAP SCREW
(13904)

 
30

SCREW PLUG
(13231)

 
31

DOUBLE BREAK-OFF PLUG
(18990)

 
33

STRAIGHT PIN
(11892)

 

Return

The above diagrams belong to Rexroth www.boschrexroth.com
DID YOU NOTICE AN ERROR? REPORT »
DID YOU NOTICE AN ERROR? REPORT
×

The error was sent. Thank you.