EXPAND MENU COLLAPSE MENU

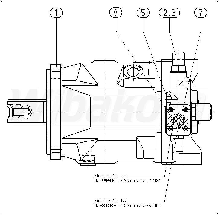
AH A10VSO140 DFR /31R-PPB12N00 -SO936 (R910996595)

Axial piston variable pump A10VS, swashplate design, open circuit, nominal pressure 280 bar, maximum pressure 350 bar. Series 31. High-speed version. Geometric displacement 140 cm3. Pressure controller with flow controller, hydraulic, X-T open. DEUTSCH - molded connector, 2-pin, without suppressor diode.
1

BASE UNIT
(149259)

Group »

 
2

CONTROL VALVE
(112798)

Group »

 
3

CONTROL VALVE
(121803)

Group »

 
5

SOCKET HEAD CAP SCREW
(15901)

 
7

NOZZLE
(149261)

 
8

NOZZLE
(149262)

 

Return

The above diagrams belong to Rexroth www.boschrexroth.com
DID YOU NOTICE AN ERROR? REPORT »
DID YOU NOTICE AN ERROR? REPORT
×

The error was sent. Thank you.