EXPAND MENU COLLAPSE MENU

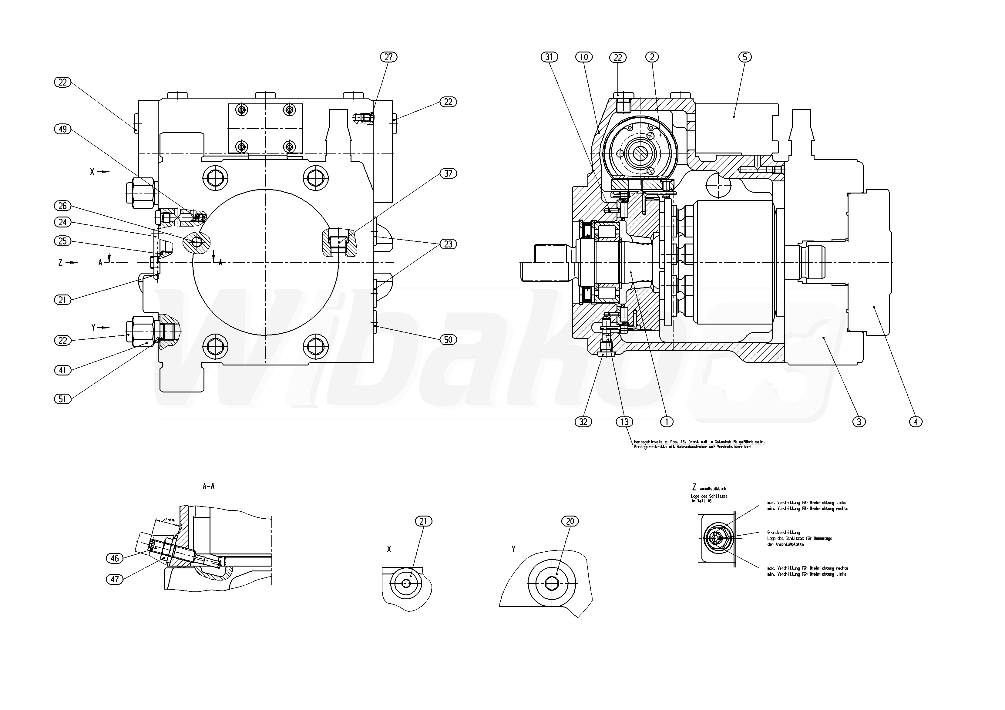
AA4VG56DWDT1/32R-NZCXXF003D-S (R902007579)

Axial piston variable pump A4VG. Geometric displacement 56 cm3. Pressure cut-off. Series 3, index 2. Direction of rotation (viewed on drive shaft): clockwise. Sealing material: NBR (nitrile rubber), shaft seal in FKM (fluoroelastomer). Splined shaft DIN 5480 for single pump. Mounting flange SAE J744 2-hole.
1

ROTARY GROUP
(10808)

Group »

 
2

CONTROL
(21533)

Group »

 
3

CONNECTION PLATE

 
4

INTERNAL GEAR PUMP
(10810)

Group »

 
5

CONTROL UNIT
(14453)

Group »

 
10

HOUSING

 
13

PIVOT PIN
(10813)

 
20

SCREW PLUG
(14354)

 
21

SCREW PLUG
(11370)

 
22

SCREW PLUG
(11371)

 
23

SCREW PLUG
(10090)

 
24

SCREW PLUG
(12195)

 
25

O-RING
(10534)

 
26

SCREW PLUG
(11753)

 
27

DOUBLE BREAK-OFF PLUG

 
31

SLOTTED SPRING PIN
(10396)

 
32

SCREW PLUG
(10220)

 
37

SCREW PLUG
(13474)

 
41

THREADED REDUCING STUD

 
46

ECCENTRIC SCREW
(10814)

 
47

SEALING NUT
(10815)

 
49

PLUG
(12198)

 
50

SCREW PLUG
(10015)

 
51

SEAL RING
(14106)

 

Return

The above diagrams belong to Rexroth www.boschrexroth.com
DID YOU NOTICE AN ERROR? REPORT »
DID YOU NOTICE AN ERROR? REPORT
×

The error was sent. Thank you.