EXPAND MENU COLLAPSE MENU

A6VM80HA1T/60W-PZB020A-S (R909434528)
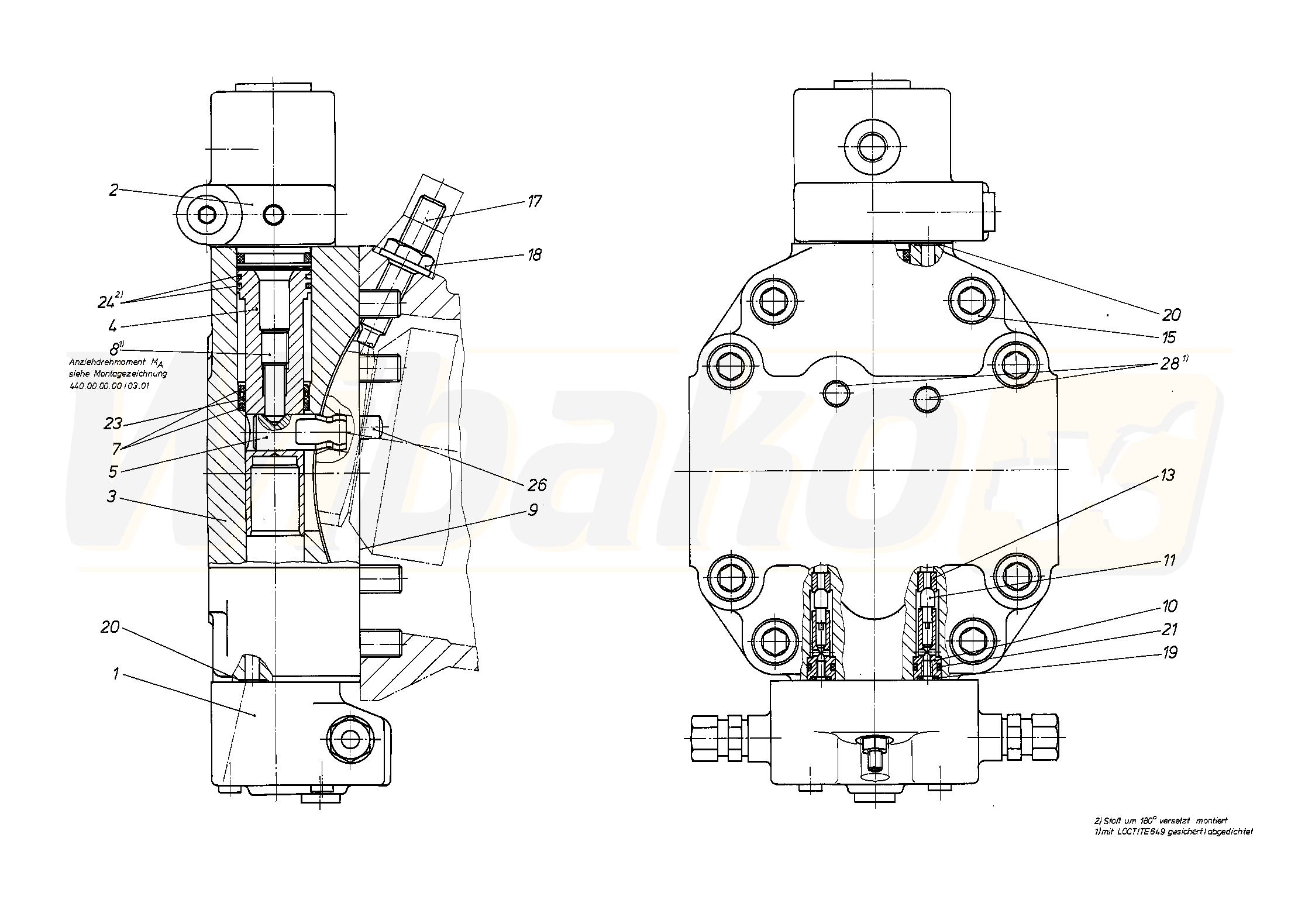
CONTROL (188253)

CONTROL
(188253)

 
1

CONTROL PART
(188231)

Group »

 
2

STROKE LIMITER
(188254)

Group »

 
3

COVER PLATE
(15219)

 
4

POSITIONING PISTON
(13718)

 
5

POSITIONING STUD
(11329)

 
7

BACKUP RING
(13719)

 
8

SETSCREW
(11049)

 
9

SEAL
(13720)

 
10

VALVE GUIDE
(13840)

 
11

BOLT
(13841)

 
13

BUSHING
(11333)

 
15

SOCKET HEAD CAP SCREW
(11334)

 
17

SETSCREW
(11296)

Group »

 
18

SEALING NUT
(11057)

 
19

O-RING
(13842)

 
20

O-RING
(11087)

 
21

O-RING
(10227)

 
22

BACKUP RING
(13843)

 
23

ROD SEAL
(13722)

 
24

STEEL SEALING RING
(12006)

 
26

STRAIGHT PIN
(10223)

 
28

DOUBLE BREAK-OFF PLUG
(19009)

 

Return

The above diagrams belong to Rexroth www.boschrexroth.com
DID YOU NOTICE AN ERROR? REPORT »
DID YOU NOTICE AN ERROR? REPORT
×

The error was sent. Thank you.